KIT 3Alogics EV-100

 

Figura 2 - RFID Reader IC Study Kit

O KIT de desenvolvimento “RFID Reader IC Study Kit” da 3ALogics contém uma “EV-100 board”, três chips TRH031M que permitem implementar hardware baseado nos mesmos ou proceder à substituição do que está na “EV-100 board”, quatro cartões teste com tecnologia RFID (2x ISO15693 e 2x ISO14443 A), um cabo série, um transformador, três chips TRH031M e um CD com documentação e software.

EV-100 board

A placa EV-100 é um RFID contactless reader, constituído por uma placa de avaliação TRH031M e pela antena. A distância de operação do KIT para a norma 14443A é de 7cm, para a 14443B é de 5cm e para a 15693 é de 8cm.

Figura 3 - Placa EV-100

 

Placa de avaliação TRH031M

                A placa de avaliação TRH031M, pode se dividida em vários módulos: a comunicação RS-232 (módulo de comunicação entre o KIT e o computador via MAX3232CSE), o circuito de alimentação (a alimentação de entrada é de 5V, devido ao LCD, mas os restantes componentes são alimentados a 3.3V, para o efeito é usado um regulador LM117), o LCD (com uma resolução de 16x2, faz-se acompanhar de um potenciómetro para regulação do contraste, são disponibilizados 4 bits de dados para comunicação entre o micro-controlador e o LCD e tem dois sinais de leitura/escrita e um para SRF), o micro-controlador AT89C51ED2 da Atmel (64 kbytes de Flash ROM e 256 bytes de RAM, que podem ser utilizados para armazenar novos programas para controlo e utilização do KIT, comunicação Serial Port Interface e com uma frequência de relógio de 13.56MHz, tal como o TRH031M) e o TRH031M (onde está inserido o chip TRH031M e o circuito de adaptação da antena), sendo este último o módulo mais importante.

Figura 4 - Diagrama de blocos da placa de avaliação TRH031M

                O chip TRH031M é destinado para aplicações RFID contactless (apenas leitura de cartões) de 13.56MHz. O protocolo de comunicação com o micro-controlador pode ser paralelo ou série (SPI) e suporta cartões com protocolos ISO 14443 Type A/B, ISO 15693, “Tag-it” e “I-CODE”. O chip pode ser dividido em duas partes: a parte analógica (circuito driver da antena, o bloco de transmissão com modulação ASK e o bloco de recepção) e a digital (codificador/descodificador de Miller e Manchester, FIFO, lógica de processamento CRC, timer, processamento de protocolo e interface MCU).

 Figura 5 - Diagrama de blocos do TRH031M

 

                A Figura 6 mostra onde o chip TRH031M deve ser colocado, isto é, a servir de ponte entre o micro-controlador e a antena. O TRH031M, recebe/envia do/para o micro-controlador comandos e dados para os vários protocolos que serão enviados/recebidos pela antena. O TRH031M converte os dados recebidos da antena para dados digitais.

                Em suma, o TRH031M disponibiliza comunicação wireless entre o micro-controlador e a TAG RFID.

 

Figura 6 - Exemplo ligação TRH031M

 

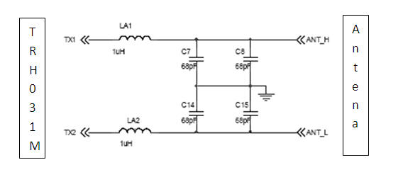
                Para efectuar a ligação entre a antena e o TRH031M, é feito um Matching Circuit (circuito de adaptação), que pode ser dividido em duas partes: o circuito de transmissão e recepção.

                O circuito de transmissão é constituído por um filtro EMC, presente ainda nesta placa e um circuito de adaptação para a antena, presente na placa da antena. O filtro EMC é, muito simplificadamente, um conversor de onda rectangular para sinusoidal. Tal como se pode verificar na Figura 7, o filtro EMC é constituído apenas por bobines e condensadores a operarem a uma frequência de ressonância de 13,56MHz. O filtro EMC está projectado para ter na saída uma impedância de 15Ω.

Figura 7 - Filtro EMC

 

                O circuito de recepção atenua os sinais provenientes da antena e envia para o chip TRH031M.

Figura 8 - Circuito RX

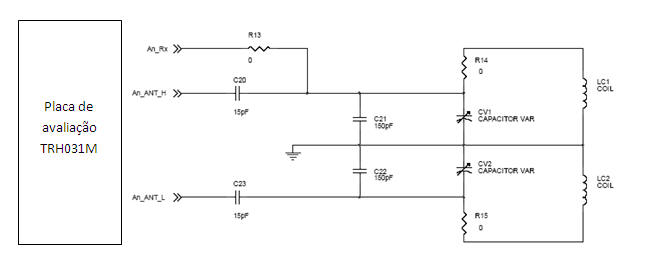
Antena

                A antena é constituída por um circuito de adaptação de impedância e pela bobine da antena para uma frequência de 13,56MHz.

 

 Figura 9 - Circuito de adaptação e antena

                As características da bobine da antena são: L=0,85µH, C=163pF, que pela formula

sabe-se ainda que tem uma impedância característica de 500Ω. (dados fornecidos pela 3ALogics)

                O circuito de adaptação adapta os 500Ω da antena em 12,71Ω, um valor mais próximo do valor projectado para o filtro EMC.